Мы предлагаем высококачественные сепараторы, предназначенные для эффективного разделения жидкостей и газов. Наши устройства разработаны с учетом современных технологий и обеспечивают надежное функционирование в различных промышленных процессах. Сепараторы обладают высокой производительностью и способны справляться даже с самыми сложными задачами, обеспечивая чистоту отделяемых сред.
Наши сепараторы находят применение в широком спектре отраслей, включая нефтегазовую промышленность, химическое производство, энергетику и другие сферы, где важно обеспечить качественное разделение газовых и жидких сред. Мы стремимся предоставлять нашим клиентам лучшие решения, соответствующие высоким стандартам качества и безопасности.
Свяжитесь с нами для получения дополнительной информации и подбора оптимального сепаратора с учетом технологических особенностей.
Основные преимущества сепараторов Сплитекс:
- Высокая эффективность: Благодаря передовым инженерным решениям, наши устройства минимизируют потери и обеспечивают максимальное разделение жидкой и газовой фаз.
- Надежность и долговечность: Мы используем качественные материалы и компоненты, что гарантирует долгий срок службы оборудования даже в условиях интенсивной эксплуатации.
- Простота обслуживания: Конструкции сепарационных устройств разработаны таким образом, чтобы упростить доступ к основным узлам и минимизировать затраты на техническое обслуживание.
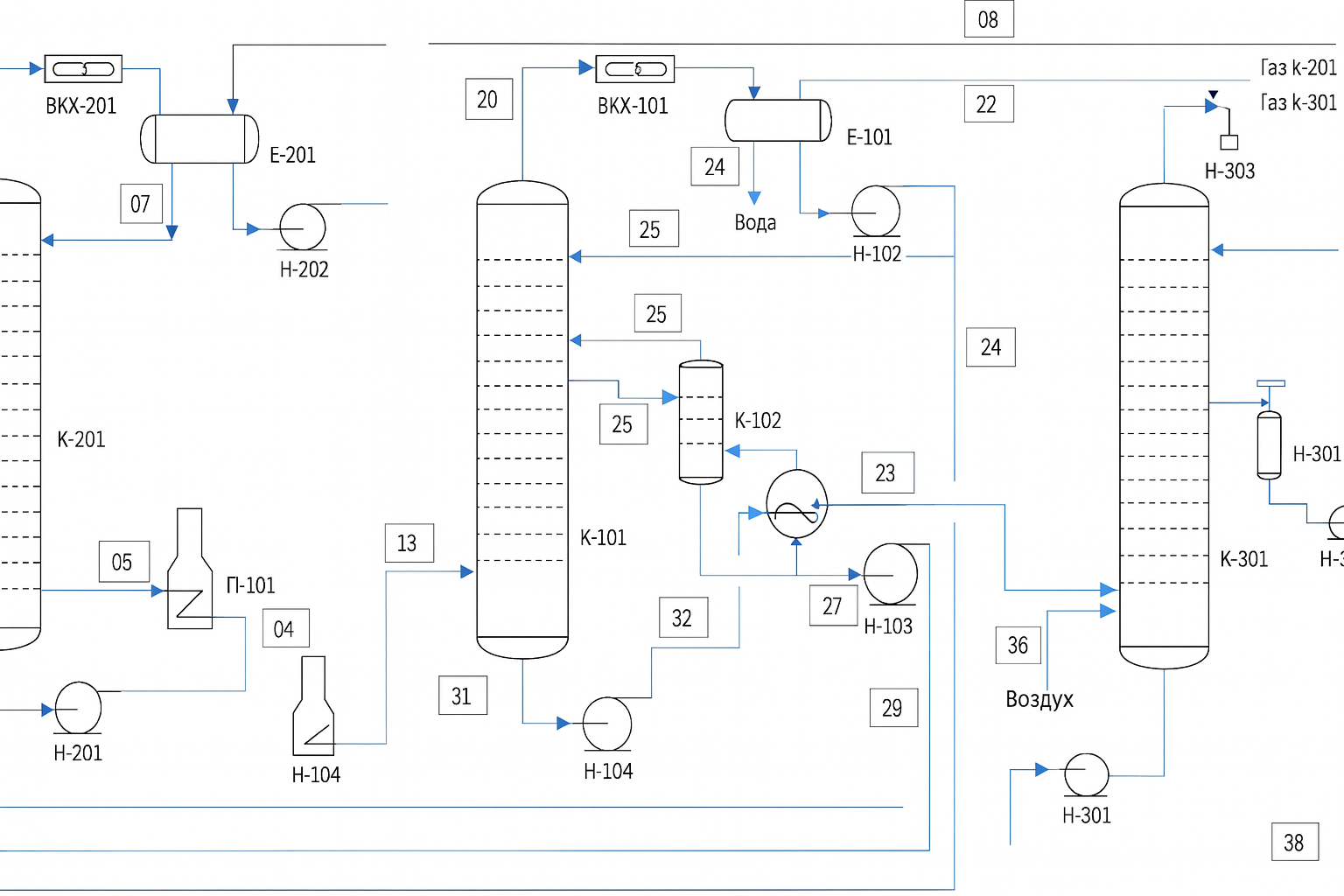
- Индивидуальные решения: Мы готовы предложить предприятиям добычи нефти газа выполнение технологического моделирования всего процесса (сепарация, гликолевая осушка, дозирование и регенерация метанола, низкотемпературное фракционирование) и сепарационные системы, адаптированные под конкретные требования вашего производства, учитывая особенности технологического процесса и среды.
Наши сепараторы находят применение в широком спектре отраслей, включая нефтегазовую промышленность, химическое производство, энергетику и другие сферы, где важно обеспечить качественное разделение газовых и жидких сред. Мы стремимся предоставлять нашим клиентам лучшие решения, соответствующие высоким стандартам качества и безопасности.
Свяжитесь с нами для получения дополнительной информации и подбора оптимального сепаратора с учетом технологических особенностей.
